Trong hệ thống điện, mạch động lực và mạch điều khiển là hai thành phần quan trọng giúp đảm bảo sự hoạt động hiệu quả và an toàn. Dù chúng thường hoạt động song song, mỗi loại mạch lại có những đặc điểm và ứng dụng riêng biệt. Bài viết này sẽ giúp bạn hiểu rõ hơn về mạch động lực và mạch điều khiển, từ khái niệm, cấu trúc đến sự khác biệt và những lưu ý quan trọng khi thiết kế.
1. Mạch động lực là gì?
Mạch động lực là phần của hệ thống điện chịu trách nhiệm cung cấp năng lượng trực tiếp cho các thiết bị điện, chẳng hạn như động cơ, máy biến áp hoặc hệ thống chiếu sáng. Loại mạch này thường được thiết kế để chịu tải cao và phải đảm bảo tính ổn định khi truyền tải điện năng.
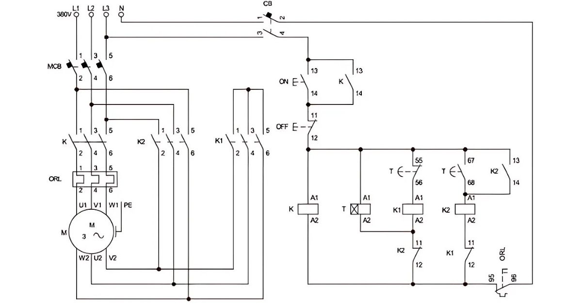
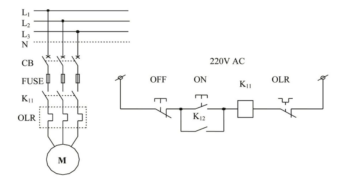
Cấu trúc của mạch động lực thường bao gồm các thiết bị như máy cắt, công tắc tơ, rơ le nhiệt, và dây dẫn điện chịu tải lớn. Điện áp trong mạch động lực thường dao động từ vài trăm đến hàng nghìn volt, tùy thuộc vào ứng dụng cụ thể.
Ứng dụng chính của mạch động lực là trong các hệ thống công nghiệp lớn, nơi cần truyền tải một lượng lớn năng lượng để vận hành các thiết bị sản xuất.

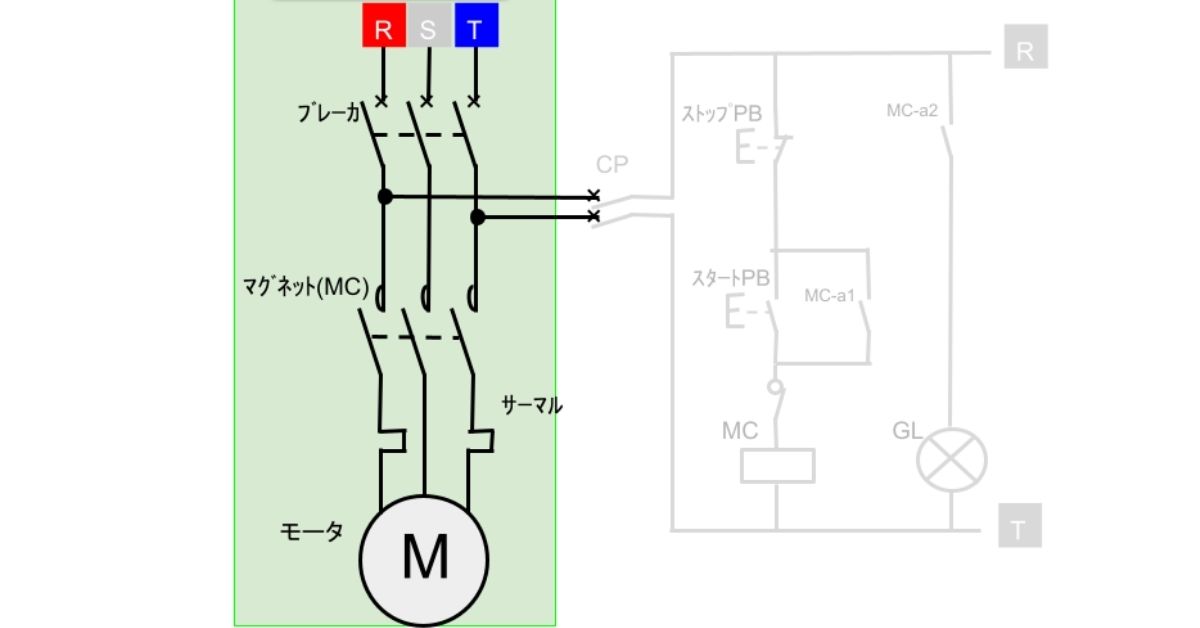
Mạch động lực là gì?
2. Mạch điều khiển là gì?
Khác với mạch động lực, mạch điều khiển được sử dụng để quản lý và điều khiển hoạt động của các thiết bị điện. Nói cách khác, đây là phần "bộ não" giúp kiểm soát quá trình vận hành của mạch động lực và các thiết bị liên quan.
Mạch điều khiển thường bao gồm các linh kiện như rơ le, công tắc, cảm biến, PLC (bộ điều khiển logic lập trình), và các dây dẫn điện nhỏ hơn so với mạch động lực. Điện áp trong mạch điều khiển thường thấp, phổ biến là 24V hoặc 48V, đảm bảo an toàn khi thao tác.
Ứng dụng phổ biến của mạch điều khiển bao gồm tự động hóa công nghiệp, hệ thống điều hòa không khí, và các thiết bị điện gia dụng.

Mạch điều khiển là gì?
3. So sánh chi tiết giữa mạch động lực và mạch điều khiển
Mục đích sử dụng
Mạch động lực chủ yếu truyền tải năng lượng điện đến các thiết bị tiêu thụ, đảm bảo chúng hoạt động ổn định và hiệu quả. Trong khi đó, mạch điều khiển đóng vai trò quản lý và điều khiển hoạt động của mạch động lực, giúp hệ thống vận hành theo đúng yêu cầu thiết kế.
Cấu trúc
Mạch động lực thường có cấu trúc lớn hơn với các thiết bị chịu tải cao như máy cắt và công tắc tơ. Ngược lại, mạch điều khiển có cấu trúc nhỏ gọn hơn, tập trung vào các linh kiện điều khiển như rơ le, cảm biến và PLC.
Điện áp và dòng điện
Mạch động lực làm việc với điện áp và dòng điện cao, đảm bảo cung cấp đủ năng lượng cho các thiết bị lớn. Trong khi đó, mạch điều khiển sử dụng điện áp thấp để đảm bảo an toàn khi vận hành và thao tác.
Ứng dụng thực tế
Mạch động lực thường được sử dụng trong các hệ thống truyền tải và phân phối điện, động cơ công nghiệp, và máy móc sản xuất. Mạch điều khiển lại xuất hiện trong các hệ thống tự động hóa, hệ thống quản lý tòa nhà, và thiết bị gia dụng thông minh.
4. Tại sao cần phân biệt mạch động lực và mạch điều khiển?
Việc phân biệt rõ ràng giữa mạch động lực và mạch điều khiển là rất quan trọng trong thiết kế và vận hành hệ thống điện. Điều này giúp đảm bảo an toàn, tối ưu hóa hiệu suất, và giảm thiểu rủi ro khi có sự cố xảy ra.
Nếu không phân biệt, có thể xảy ra nhầm lẫn khi lắp đặt, dẫn đến sự cố như chập mạch hoặc hỏng hóc thiết bị. Ngoài ra, việc xác định đúng loại mạch còn giúp tiết kiệm chi phí đầu tư và bảo trì.
5. Những lưu ý khi thiết kế mạch động lực và mạch điều khiển
Khi thiết kế mạch động lực, cần chú ý đến khả năng chịu tải và độ bền của các thiết bị, đặc biệt là dây dẫn và công tắc tơ. Đối với mạch điều khiển, việc chọn thiết bị có độ nhạy và độ chính xác cao như cảm biến và rơ le là yếu tố quan trọng.
Ngoài ra, cần đảm bảo tính tương thích giữa mạch động lực và mạch điều khiển để hệ thống vận hành ổn định. Lựa chọn đúng loại dây dẫn và thiết bị bảo vệ cũng là yếu tố không thể bỏ qua.

Những lưu ý khi thiết kế mạch động lực và mạch điều khiển
6. Kết luận
Hiểu rõ về mạch động lực và mạch điều khiển không chỉ giúp bạn nắm bắt được cách thức vận hành của hệ thống điện mà còn hỗ trợ việc thiết kế và bảo trì hiệu quả hơn. Hy vọng bài viết này đã cung cấp cho bạn những thông tin hữu ích giúp bạn tự tin hơn khi làm việc với các loại mạch điện trong thực tế.
Thiết bị điện Vinh Quang - Thiết bị điện dân dụng, công nghiệp
CÔNG TY TNHH SẢN XUẤT & THƯƠNG MẠI THIẾT BỊ ĐIỆN VINH QUANG (VQE) thành lập tháng 5 năm 2005. Với nhiệm vụ chính là sản xuất và thương mại các loại thiết bị điện, điện áp 110kV trở xuống, với đặc thù các sản phẩm có yêu cầu chất lượng cao, ổn định, giá cả có tính cạnh tranh rất cao.
- Địa chỉ: Số 9 đường 2.4 KĐT GAMUDA GARDENS - P. TRẦN PHÚ - HOÀNG MAI - HN
- Số điện thoại: 024 6666 1359
- Website: https://thietbidienvinhquang.com/
- Email: vqe1905@gmail.com










